By Murata Electronics 1572
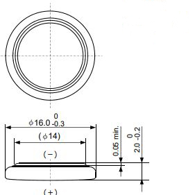
CR1620 is a type of coin cell battery commonly used in small electronic devices. This battery is a lithium battery with a round, flat shape with a diameter of 16 mm and a thickness of 2.0 mm. In the name of the CR1620 battery, "C" indicates a lithium chemical battery, "R" indicates a round shape, and the number 1620 indicates the diameter and thickness.
CR162 uses high-purity metal lithium flakes as the negative electrode and a specific formula of electrolytic manganese dioxide as the positive electrode. It has excellent qualities such as high voltage (above 3V), large capacity, small size, light weight, stable discharge voltage, safety and pollution-free.

Ⅰ.Specifications of CR1620
•Product type:button battery
•Battery Chemistry:Lithium Manganese Dioxide
•Approval authority:UL
•Power supply voltage:10V
•Battery size:CR1620
•Output voltage:3 V
•Height:2 mm
•Width:16 mm
•Capacity:60 mAh
•Minimum operating temperature:-30℃
•Maximum operating temperature:+70℃
•Part status:Positive
•Meet Compliance Guidelines:Non-Compliance
•Battery Chemistry:Lithium Unspecified
•Moisture Sensitivity Level (MSL):Not applicable
•RoHS status:Not compliant with RoHS standards
•Termination method:Bracket required
•Rechargeable/non-rechargeable:Non-Rechargeable
Ⅱ.Application scenarios of CR1620
•FSK modulation
•FM demodulator and modulator
•Voltage frequency conversion
•Frequency discrimination
•Data synchronization and reconciliation
•Frequency synthesis and frequency multiplication
•Motor speed control
•Watches: Many watches use the CR1620 battery as a power source because its size fits the watch's small design and it provides sufficient power supply.
•Cameras: Micro cameras, mini cameras or surveillance equipment use CR1620 batteries to meet their energy needs.
•Remote controller: Small remote control devices, such as remote control cars, remote control toys or other electronic devices, use CR1620 batteries.
•Smaller electronic toys: This type of battery is used in miniature electronic toys, small electronic games, or other toys that require a small power source.
•Small electronic devices: Other small electronic devices, such as micro lamps, mini alarm clocks, etc., also use CR1620 batteries.
•Sensor devices: In some sensor devices, CR1620 batteries are used as power sources, such as temperature sensors, humidity sensors, etc.
Ⅲ.CR1620 storage and maintenance methods
1.Avoid moisture: Avoid exposing the battery to moisture, as moisture may cause corrosion of the battery terminals. It is best to store in a dry place and make sure the battery compartment door is well sealed.
2.Avoid extreme temperatures: Store batteries in a dry, cool place, away from extreme high and low temperatures. Extreme temperatures can affect battery performance.
3.Avoid direct sunlight: Prolonged direct sunlight may have a negative impact on the battery, so you should try to avoid exposing the battery to the sun for a long time.
4.Check the battery regularly: If the battery has been stored for a long time without being used, it is recommended to check its status regularly. Check the appearance of the battery to make sure there are no leaks or corrosion. If any abnormalities are found, the battery should be replaced in time.
5.Suitable for its designed use: CR1620 batteries are often used in small electronic devices, so make sure the device using them is suitable for its designed use and does not exceed its rated voltage and current.
6.Avoid mixing batteries of different models or brands: In the same device, it is best to use batteries of the same model and brand. Mixing batteries of different models or brands may result in performance mismatch and affect the normal operation of the device.
7.Shelf life: The shelf life of CR1620 battery at room temperature is 5-10 years. If the battery expires, it should be used as soon as possible to avoid danger due to battery aging.
8.Shockproof: Avoid severe vibration and impact on the battery to prevent damage to the internal battery cells.
9.Discharge: When the CR1620 battery is not used for a long time, it should be discharged to the termination voltage. Discharge can use the small resistance discharge method, that is, the battery is connected in series with a small resistor, and then the power adapter is connected until the battery voltage stabilizes at about 3V. After discharge, store the battery in a dry place to avoid recharging or use.
IV.Discharge characteristics of CR1620

Ⅴ.Replacement model of CR1620
•L1620
•BR1620
•ML1620
•CR2032
•CR1220
•CR2025
•CR1616
Ⅵ.Features of CR1620
1.Low self-discharge rate: Lithium batteries generally have a low self-discharge rate, which means they are able to maintain a relatively high charge when not used for a long time.
2.Excellent discharge characteristics: Even if discharged for a long time, the voltage characteristics remain stable, greatly improving the reliability of equipment using this battery. Such devices are also maintenance-free (batteries rarely need to be replaced).
3.Lightweight, high voltage, high energy density: The battery voltage is 3V, which is almost twice that of ordinary alkaline batteries or manganese batteries. This means the number of batteries required for a device can be halved to maximize space and weight savings.
4.UL certified parts: Murata Manufacturing Co., Ltd.’s coin manganese dioxide lithium battery has obtained UL certification. (UL1642 File No. MH12566)
5.Excellent leakage resistance: The newly developed battery structure and electrolyte ensure maximum leakage resistance over a long period of time.
6.RoHS Directive/European Directive: This product does not contain mercury (Hg), cadmium (Cd) or lead (Pb) and complies with EC regulations. (Directive 2006/66/EC, 2013/56/EU)
7.Long-term reliability: Both active materials and electrolytes use carefully selected active materials. The materials are sealed using Murata's innovative technology to minimize battery self-discharge. The annual self-discharge rate under normal temperature and humidity is less than 1% of the nominal capacity.
Ⅶ.CR1620 Basic Safety Precautions
1.Correct installation direction: Make sure the battery is installed correctly and placed according to the polarity markings in the device. Incorrect installation may cause device failure or battery damage.
2.Avoid overcharging and over-discharging: It is generally not recommended to overcharge or over-discharge lithium batteries. Make sure to use the correct charging device (if applicable) and do not allow the battery to drain completely.
3.Avoid short circuit: When replacing the battery, make sure the battery compartment of the device is clean and avoid direct contact between the battery and metal objects to prevent short circuit. A short circuit can cause the battery to overheat or cause other safety issues.
4.Keep away from extreme temperatures: Avoid exposing the battery to extreme high or low temperatures as this will affect battery performance. If the battery is placed in an excessively hot environment, it may cause leakage or other safety issues.
5.Avoid mixing batteries: Avoid mixing batteries of different models, brands or aging states. Mixing batteries will result in performance mismatch and affect the normal operation of the device.
6.Do not disassemble the battery: Avoid disassembling the battery yourself, as it may cause battery leakage, overheating or other dangers. If a battery is damaged or leaks, handle it with care and use gloves to clean it up.
Frequently Asked Questions
1.Is CR1620 dangerous?
No danger. CR1620 batteries do not contain mercury, cadmium, lead or any other toxic heavy metals and similar contaminants.
2.What is the use of CR1620?
CR1620 lithium coin cell battery provides excellent performance and long shelf life, making it ideal for use in a variety of devices: car remote controls, watches, cameras, calculators, car security alarms, notepads, blood glucose meters, computer equipment and others Electronic equipment.
3.Are CR1620 batteries the same as CR2016 batteries?
No, it may not fit into the battery slot. This is because the CR2016 is wider than the CR1620. (CR2016 is also thinner.)
4.How should CR1620 be stored when not in use?
When not in use, CR1620 should be stored in a dry, cool, well-ventilated place away from direct sunlight, and protected from high and low temperatures. Keep away from acidic substances and places containing a lot of moisture. It is recommended to store batteries in a sealed container with desiccant to keep them dry.