By Monolithic Power Systems 1998

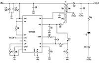
MPS' MP8004 is an integrated IEEE 802.3af PoE compliant powered device (PD) power supply solution. It includes a PD interface and an isolated/non-isolated flyback converter.
The PD interface includes detection and classification modes as well as a 100 V output pass device. An inrush current limit is included to charge the input capacitor slowly without interruption due to die heating.
The DC/DC converter includes a 150 V power switch and is capable of delivering 13 W PoE power with high efficiency. It has an internal soft start and auto-retry. Also, it incorporates over-current, short-circuit, and over-voltage protection. It can also skip cycles to maintain zero load regulation.
The MP8004 supports a front-end solution for PoE-PD application with minimal external components and is available in a thermally enhanced 4 mm x 6 mm QFN-20 package.