By Analog Devices Inc 672

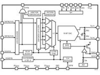
Linear Technology's LTC2000 is a family of 16-, 14-, 11-bit 2.5 Gsps current-steering DACs with exceptional spectral purity. The single (1.25 Gsps mode) or dual (2.5 Gsps mode) port-source synchronous LVDS interface supports data rates of up to 1.25 Gbps using a 625 MHz DDR data clock, which can be either in quadrature or in phase with the data. An internal synchronizer automatically aligns the data with the DAC sample clock. Additional features such as pattern generation, LVDS loopout and junction temperature sensing simplify system development and testing. A serial peripheral interface (SPI) port allows configuration and read-back of internal registers. Operating from 1.8 V and 3.3 V supplies, the LTC2000 consumes 2.2 W at 2.5 Gsps and 1.3 W at 1.25 Gsps.
| Features | ||
|
|
|
| Applications | ||
|
|