By International Rectifier 1455

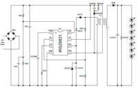
The International Rectifier IRS29831 is an integrated LED driver control IC and power MOSFET designed to drive Flyback and buck-boost converter-based LED drivers. The IRS29831 includes primary-side power regulation allowing a low-cost isolated or non-isolated LED driver to be implemented without the need for an opto-isolator for a fixed LED load. The IRS29831 is also compatible with converters that include secondary feedback circuitry. Other features of the IRS29831 include a high-voltage startup enabling VCC supply to be derived initially from the high-voltage DC bus until the auxiliary Flyback inductor winding takes over for rapid startup. The IRS29831 typically operates in critical conduction (CrCM) with full protection against open and short circuit as well as inductor saturation. The IRS29831 may be used in single-stage LED drivers with no DC bus smoothing capacitor enabling high power factor and low THD with minimal component count.
Features
|
|
|